tel服务热线:15898870411

频谱仪

产品中心

Product

Crumb当前位置:首页 >> 产品中心 >> 频谱仪

射频放大器
  • 射频放大器_1

  • 射频放大器_2

  • 射频放大器_3

  • 射频放大器_4

射频放大器(9KHz-3GHz)
产品简介:

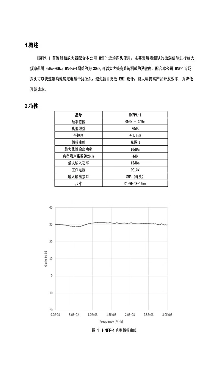
HNFPA-1 前置射频放大器配合本公司HNFP系列近场探头使用,主要对所要测试的微弱信号进行放大, 频率范围9kHz-3GHz;HNFPA-1增益约为30dB,可以大大提高系统测试的灵敏度。标配USB适配器和USB升压电源转接线,可以直接通过频谱分析仪或者接收机自带的USB接口供电,使用更加方便。配合本公司HNFP系列近场探头可以快速准确地确定电磁干扰源头,避免盲目更改EMI设计,能大幅提高产品开发效率,并降低开发成本。

服务热线

15898870411

立即咨询
产品介绍

射频放大器(9KHz-3GHz)

射频放大器(9KHz-3GHz)

射频放大器(9KHz-3GHz)

射频放大器(9KHz-3GHz)


pre上一个:没有了!

proall返回列表

下一个:高频电场探头(30MHz~3GHz)next

在线留言

ONLINE MESSAGE

留言框

  • 您的姓名:

  • 联系电话:

  • 公司名称或邮箱:

  • 补充说明:

  • 验证码:

    code
  • phone
    服务热线15898870411
  • email
    电子邮箱

    3685978384@qq.com

weixin

扫码加微信

Copyright © 青岛法特科技有限公司 汉泰克Hantek 鲁ICP备2025147151号-2

XML TAG